rmGEO
Der Alleskönner von der Feldaufnahme bis zum fertigen Plan
Werten Sie Ihre Messdaten zuverlässig, qualitätsgesichert und nachvollziehbar aus – egal ob GNSS-, Tachymetrie- oder Nivellement-Daten. Mit rmGEO4 sind Sie für alle Aufgaben von der Ingenieurvermessung bis zur Katastervermessung gerüstet. Sämtliche Arbeitsschritte und Berechnungen (Transformationen, Polygonzug, Freie Stationierung, Geometrieberechnungen, u.v.m.) werden ausführlich protokolliert und sind somit stets nachvollziehbar.
Die integrierte Grafik bietet eine Übersicht über die berechneten Punkte und Messkonstellationen. Fügen Sie zusätzlich Bemaßungen, Redlining-Objekte oder grafische Informationen ein. Hinterlegen Sie Rasterdaten wie z.B. Orthofotos oder fügen Sie DXF-/DWG-Dateien in die Grafik ein.
Exportieren Sie die berechneten Punkte in die unterschiedlichsten Formate, zurück auf Ihr Vermessungsinstrument oder verwenden Sie die Daten Ihres Projekts direkt im geodätischen CAD rmDATA GeoMapper.
Sie sind an rmGEO interessiert?
Wir kontaktieren Sie gerne!
Ihre Vorteile
- Geodätische Berechnungs-Software für Standardaufgaben, Ingenieurgeodäsie und Katastervermessung
- Integrierte Grafik bietet Übersicht über Punkte und Messkonstellationen
- Geodätische Auswertung von tachymetrischen, nivellitischen und GPS-Messungen
- Einfacher Datentransfer vom und zum Messgerät
- Zahlreiche Module ergänzen den Funktionsumfang
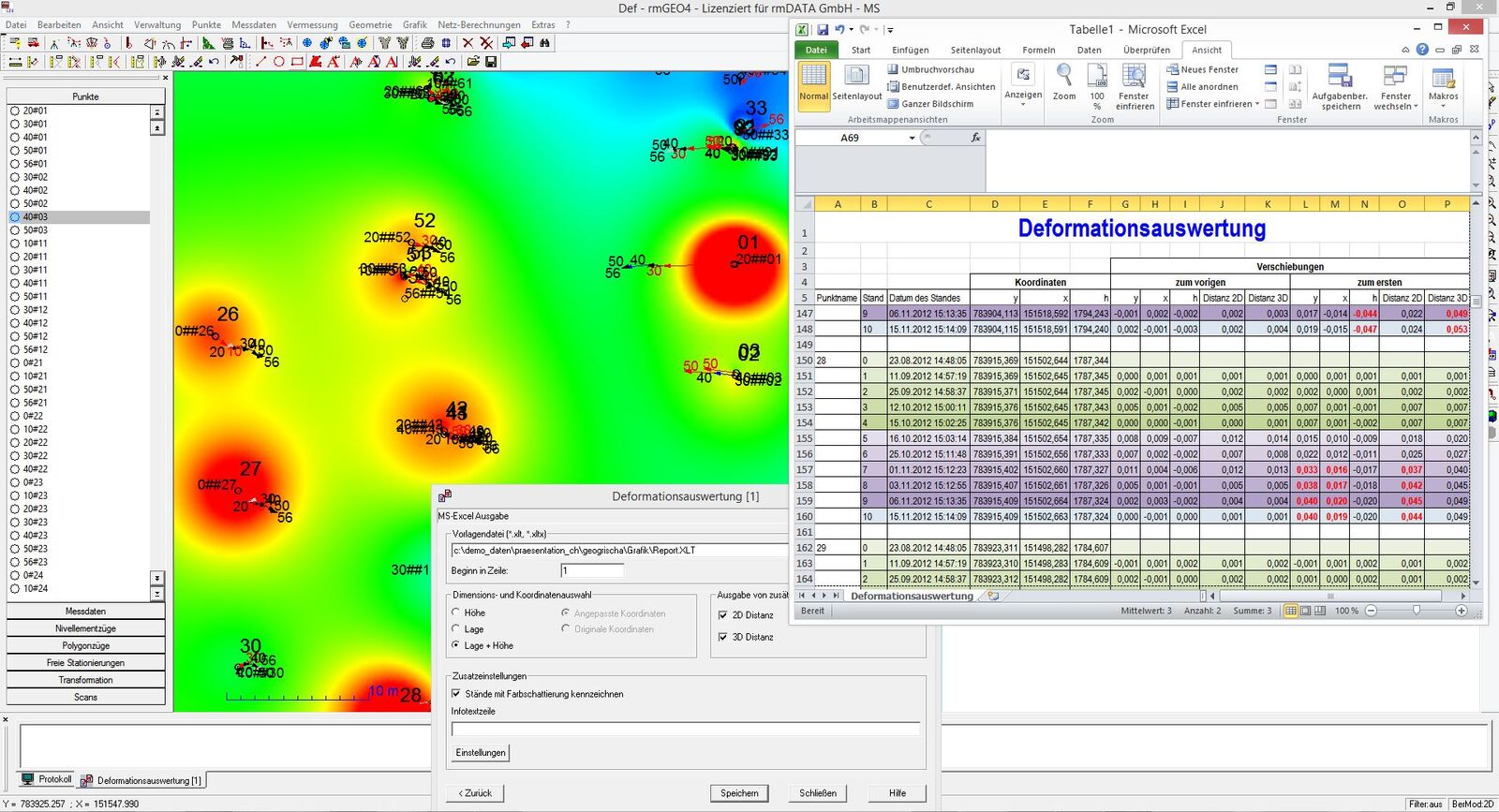
Rechts: Modul Deformationsauswertung zu rmGEO
Bei der Analyse von 1D-, 2D- oder 3D-Verschiebungen erhalten wir rasch und einfach die Darstellung der Bewegungen anhand von Vektordiagrammen sowie aussagekräftige Reports direkt aus der Software. Wenn es um Bewegung geht, wird bei uns alles mit der Deformationsauswertung in rmGEO erledigt.
In der täglichen Praxis hat sich der Einsatz der rmDATA-Berechnungssoftware rmGEO/rmNETZ durch die anwenderfreundliche Bedienung, automatische Datenflüsse und Messepochenverwaltung sehr gut bewährt.
Wir verwenden rmGEO und rmNETZ schon von Anfang an – seit der Bürogründung im Jahre 1989 – für jedes Projekt. Nachdem die Software schon Jahrzehnte lang entwickelt wird und immer wieder Kundenwünsche und auch Kritik berücksichtigt werden, ist es wirklich sehr ausgereift. Ich vermute, dass es wohl nichts Besseres am Markt gibt.
Produkt-Versionen
Wir sind laufend im Kontakt mit unseren Anwendern und freuen uns über ihre Rückmeldungen. Die Ideen, Verbesserungsvorschläge und Korrekturhinweise bauen wir gerne in unsere Software-Produkte ein, mit dem Ziel die Programme für den Praxiseinsatz zu optimieren. Innovationen, neue Technologien oder Anpassungen an Normen fließen ebenfalls in regelmäßigen, vierteljährlichen Releases ein. Die Software-Produkte werden dadurch ständig weiterentwickelt, was Ihnen als Anwender wiederum nutzt. Informieren Sie sich hier über die Neuerungen in den Versionen:
© Grundbuch- und Vermessungsamt des Kantons Zug
Module und Fachschalen (für alle Länder)
Mit Erweiterungen passen Sie die Berechnungs-Software an Ihre Anforderungen an.
rmNETZ | Die Netzausgleichssoftware für alle Fälle ist voll integriert in rmGEO. Berechnen Sie geodätische Netze in unterschiedlichsten Varianten schnell und einfach. |
SmartCalc | Mit SmartCalc analysieren und werten Sie Ihre geodätischen Messdaten mit wenigen Klicks aus. Egal, ob zur reinen Datenkontrolle oder zur vollständigen Berechnung – SmartCalc ist ein wertvoller Helfer für den täglichen Einsatz. |
CodeGrafik | Von der codierten Aufnahme im Feld zur Grafik im CAD in wenigen Schritten: Mit CodeGrafik erstellen Sie aus Ihren Messdaten vollständige Grafikdaten inkl. Sachattribute zur Weiterverarbeitung in CAD und GIS. |
GNSS-Transformation | Transformieren Sie Punkte, die mit GNSS gemessenen wurden, in das verwendete Landessystem über Passpunkte, bekannte Transformationsparameter oder NTV2-Rasterdateien. |
Deformationsauswertung | Mit diesem Modul berechnen und dokumentieren Sie Ihre Deformations- und Überwachungsmessungen. Sie erhalten die Daten je nach Wunsch grafisch oder tabellarisch aufbereitet. |
Trassenmodul | Importieren Sie Trassierungsparameter und verwalten Sie diese in rmGEO oder definieren Sie Trassen direkt im Programm. Berechnen Sie Trassenpunkte entlang und parallel zur Achse (2D oder 3D), auch unter Vorgabe von Längs- und Querneigungsprofilen. |
| Schnittstelle iGleis | Mit der iGleis-Schnittstelle importieren und exportieren Sie Achsdaten, Gradienten und Überhöhungen und nutzen diese für Berechnungen und Absteckungen. Die Schnittstelle ist eine Erweiterung zum rmGEO-Modul Trassenverwaltung. |
| Profilmodul | Erstellen Sie über diverse Komfortfunktionen (z. B. Bandprojektion, Schnitt, Interpolation) rasch aussagekräftige Schnittdarstellungen direkt aus der Berechnungs-Software und berechnen Sie Massen über Querprofile und exportieren Sie anschließend nach ASCII und DXF. |
| Messgeräte-Schnittstellen | Mit den Schnittstellen zu aktuellen Messgeräten importieren Sie bequem Nivellement-, Tachymetrie- und GNSS-Daten direkt aus dem Gerät und protokollieren Sie bereits beim Datenimport die Berechnungen. |
Diese Produkte könnten Sie auch interessieren
Diese Firmen vertrauen auf rmDATA:
Ausbildungslizenzen

Mit kostenlosen Ausbildungslizenzen wollen wir Geodäten in Ausbildung unterstützen.



































































